Dell Precision 3520 (DIS GPU / non-TBT), Motherboard Schematic Diagram, BoardView file and BoardView software
|
|
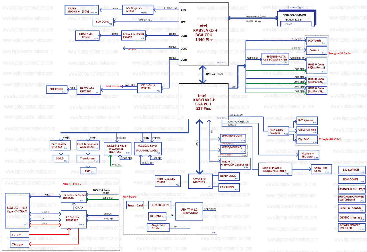
/// Also included: — Schematic Diagram for MB — BoardView file and BV Software — Power Sequence Block Diagram — Power Rails Block Diagram — SMBus Block Diagram Major components: Intel KABYLAKE-H + DDR4 GPU: nVidia N17M (DIS) EC: MEC5105 File type : PDF BoardView file: FlexBV Language : English Pages: 74 |
|---|

