Dell Vostro 3591 (DIS / NVIDIA MX230), Motherboard Schematic Diagram, BoardView file and BoardView software
|
|
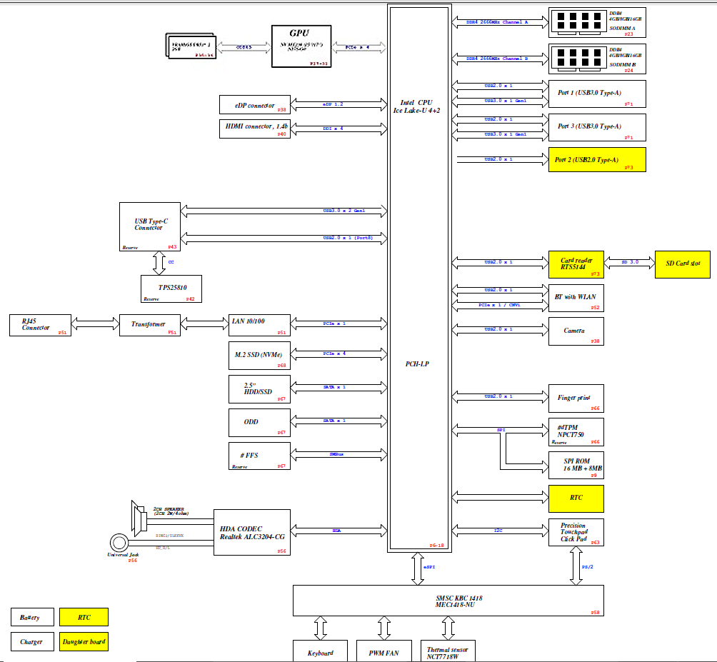
/// MB p/n FDI45 LA-J091P What's included: — Schematic Diagram for MB — BoardView file and BV Software — Power MAP — Power Up Sequence — SMB/I2C Block Diagrams Main components: - CPU/HUB/RAM : Intel Ice Lake / DDR4 - GPU/VRAM : DIS NVIDIA MX230 - EC : MEC1418-NU File types : Schematic Diagram : PDF Silkscreen : N/A BoardView file : FlexBV Language : English |
|---|

