Microsoft Surface Laptop 5th Gen (13.5" Intel CPU), Motherboard BoardView file and Schematic diagram
|
|
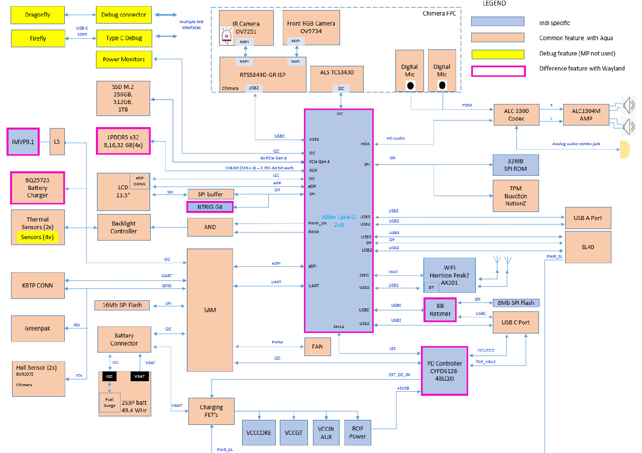
What's included: — Schematic Diagrams for Motherboard — BoardView file and BV Software (fully searchable!) — CLOCK DISTRIBUTION DIAGRAM — SIGNAL & RESET MAP (Step-by-Step) — POWER FLOW DIAGRAM — I2C MAP Main components: CPU/HUB/RAM: Intel Alder Lake / LPDDR5 GPU/VRAM : UMA EC/SIO : SC668050SFFOBR File types: Schematic Diagram(s) : PDF / Searchable BoardView file(s) : PCB Silkscreen for MB : N/A BIOS file* : N/A Language : English |
|---|

