Lenovo EDGE series laptops (ThinkPad) E14 Gen 6 (Type 21M7, 21M8) Laptops (ThinkPad), Motherboard BoardView files and Schematic diagram
|
|
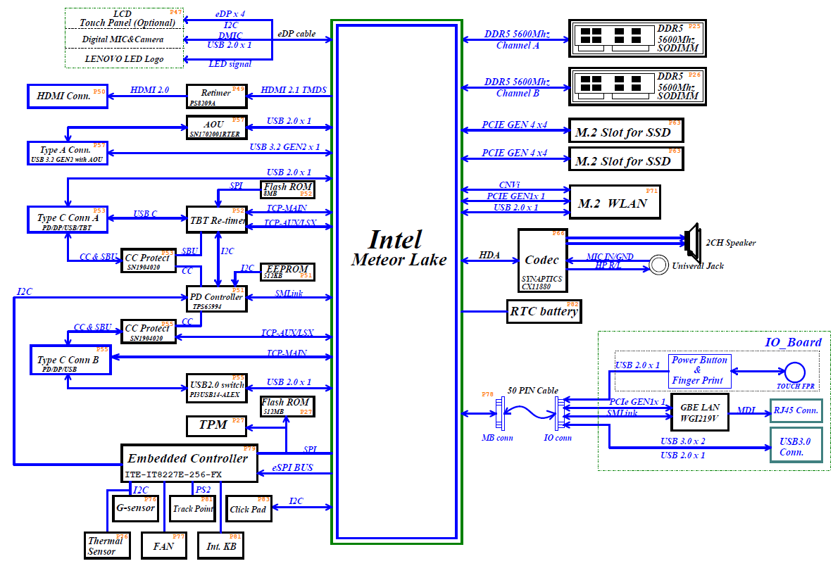
Also included: Schematic Diagram for MB Motherboard BoardView file and Software Power Block Diagram Major components: CPU/RAM :Intel Meteor Lake / DDR5 GPU : UMA KBC :ITE-IT8227E-256-FX File type : PDF (Searchable) BoardView: TVW Language : English |
|---|

