Lenovo EDGE series laptops (ThinkPad) E595 (Type 20NF) Laptop (ThinkPad), Motherboard & USB Board BoardView files and Schematic diagram
|
|
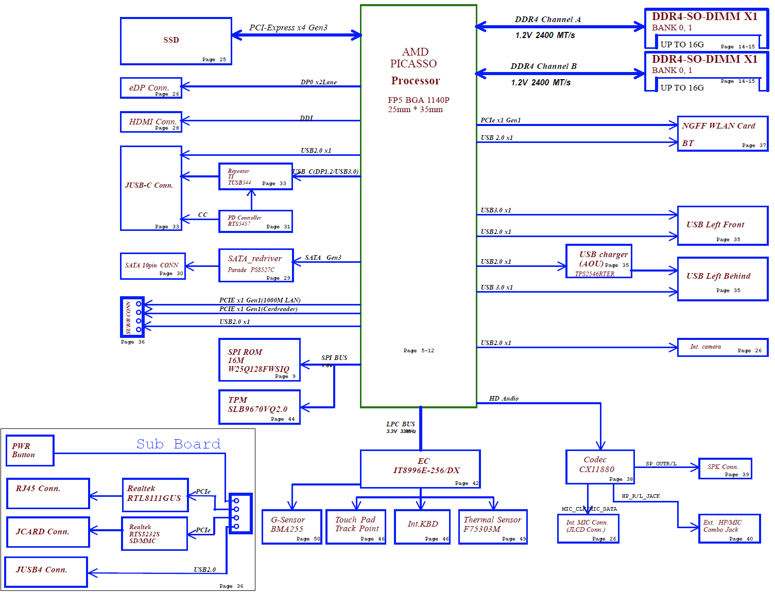
What's included : - 2 Schematic Diagrams for Motherboard and I/O Board - 2 BoardView files for Motherboard and I/O Board +BoardView software - Power Block Diagram Main components: - CPU/HUB/RAM: AMD Raven Ridge FP5 (Picasso) / DDR4 - GPU: UMA - EC: ITE IT8996E-256/DX File types : Schematic Diagram(s) : PDF / Searchable Silkscreen(s) : N/A BoardView file(s) : .TVW Language : English |
|---|


