Microsoft Surface Book 3rd Gen (13.5''/ DIS GPU_GF GTX 1650 Max-Q), Motherboard, I/O and GPU BoardView files and Schematic diagram
|
|
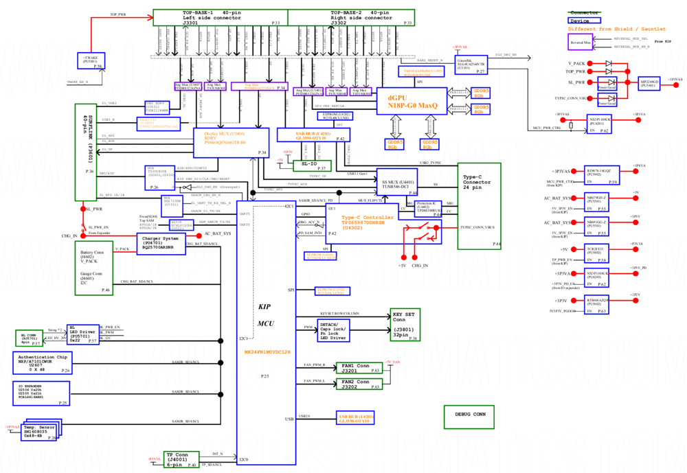
Known Motherboard (Top Board) p/n : Intel Core i7-1065G7 / 16Gb RAM - M???????-0?? (UNKNOWN #) Intel Core i7-1065G7 / 32Gb RAM - M???????-0?? (UNKNOWN #) Known "GPU Board" p/n : M???????-0?? (UNKNOWN #) Known "I/O Board" (Cardreader/USB) p/n : M???????-0?? (UNKNOWN #) You will get: - For Motherboard (also known as "Top Board"): 1) Schematic Diagram 2) BoardView file and BoardView Software 2) Silkscreen / 2 PNG files 3) Clock Distribution Diagram 4) Power On Sequence and Reset Step-by-Step Block Diagram 5) Power Flow Diagram (Power Map) 6) I2C & SMBUS Map - For "GPU Board" : 7) Schematic Diagram 8) BoardView file and BoardView Software 8) Silkscreen / 2 PNG files 9) Power On Sequence Block Diagram 10) Power Down Sequence Block Diagram 11) Functional Block Diagram 12) Power Distribution Diagram 13) SMBus Block Diagram - For "I/O Board" (Cardreader/USB) : 14) Schematic Diagram 15) BoardView file and BoardView Software - For "GPU TB Board" 16) BoardView file and BoardView Software Main components: - CPU/HUB/RAM: Intel "Ice Lake" / LPDDR4x - GPU: DIS (N18P-G0 MaxQ [nVidia GeForce GTX 1650 Max-Q + 4 GB GDDR5]) - SAM (Sensor Aggregator Microcontroller): LPC54S001JEV180 (Top Board) + MK24FN1M0VDC12R (GPU Board) File types : Schematic diagrams : PDF (Searchable) BoardView files: PCB Component Placement Diagrams (Silkscreens): PNG files (High Resolution) |
|---|


.png)
