Lenovo EDGE series laptops (ThinkPad) E590 (ThinkPad) (Type 20NB, 20NC), Motherboard & USB Board BoardView files and Schematic diagram
|
|
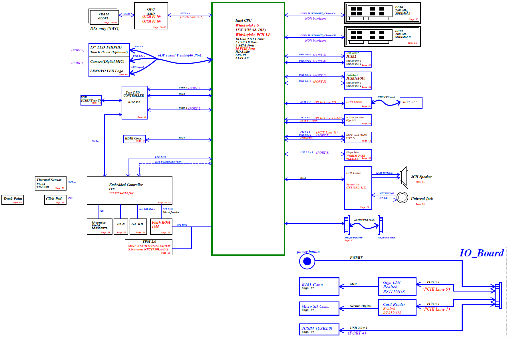
Also included: — 2 Schematic Diagrams for Motherboard and I/O Board — 2 BoardView files for Motherboard and I/O Board + BoardView software — Silkscreen for Motherboard — Power Tree Diagram (Power Distribution Diagram) — Power Block Diagram Major components: CPU/HUB/RAM: Intel Whiskeylake-U/ DDR4 GPU/VRAM: UMA or DIS (AMD R17M-P1-50 / R17M-P1-70) EC/KBC/SIO : ITE IT8227E-256/BX File types : Schematic Diagram(s) : PDF / Searchable Silkscreen(s) : PDF / Searchable BoardView file(s) : .TVW Language : English |
|---|



